| 产品标题:SCTC测量型电流互感器 产品ID:VIB20100105122004734 品 牌:ANGESUN互感器 所在地:中国 上海 价 格:面议 (大量采购价格面议) 库存状态:货期待查 更新日期:2025-12-1 11:15:03 咨询电话:(+86)021-51699285 咨询Q Q: 2695337323 |
|

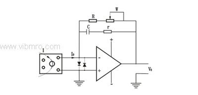
使用说明:
SCT□□□B系列精密电流互感器,典型应用电路如图所示。根据Vo=Io(R+W),调节反馈电阻R+W,即可获得所需的输出电压。精度要求不高时,可不用W。可调节电阻r 及电容C用于补偿相移,不需补偿时,可以不接。所用电阻均要求温度系数小于50PPM。
应用电路:
